| |
Next: Digital VU Module
Up: Mixer Unit
Previous: Audio Mix Module
  Contents
Relays were chosen over an electronic switching scheme for reasons of
cost and simplicity. Many types of audio-quality electronic switches
exist, but most are rather expensive. Additionally, many have
limitations such as operating voltage ranges, latch-up problems, etc.
Relays are inexpensive, and do not have these limitations. However,
relays consume a fair amount of current, and depending on the
type, they may not switch silently. These limitations seem to
outweigh the potential problems involved with electronic switches,
however.
To switch the source of the second input bus between the second group
of inputs and the first group of inputs, four DPDT relays are used.
The normally-closed portion of these relays connects the second bus to
the second group of inputs by default. Figure 61
shows the schematic for the audio portion of this circuit.
Figure 61:
Bus switcher module, audio bus switching scheme for input bus 2.
 |
In a similar fashion, the source of the third input bus is switchable
between input group one and input group three. Four DPDT relays are
used for this switching, with the normally-closed portion defaulting
the switcher to group three. Figure 62 shows the
schematic for the audio portion of this circuit.
Figure 62:
Bus switcher module, audio bus switching scheme for input bus 3.
 |
Lastly, the source of the fourth input bus is switchable between input
group four, and the input bus two. This allows the fourth input
bus to be sourced from the fourth, second, or first input group.
Figure 63 shows the schematic of the audio portion of
the circuit.
Figure 63:
Bus switcher module, audio bus switching scheme for input bus 4.
 |
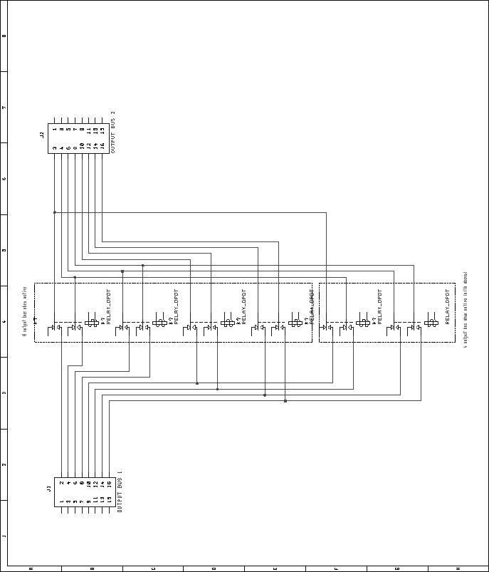
In addition to switching the input buses, the output buses can be
combined, down to just four outputs. This is done in only two steps.
Combining the first output bus with the second output bus reduces the
number of outputs to from sixteen to eight. Further combining the top
four with the bottom four lines reduces the number of outputs to four.
As in the other portions of the bus switcher/combiner module, DPDT
relays are used for switching. Four relays are used to combine the
first and second output buses. The normally-closed sections of the
relays aren't used, while the normally-open sections are used to
connect the respective lines of each bus together. To connect the
first four with the last four, a pair of DPDT relays are used in
a similar fashion. Figure 64 shows the schematic for
this circuit.
Figure 64:
Bus combiner module, output bus combination schematic.
 |
As with other Pbus modules, a standard 16V8 GAL is used for address
decoding. Figure 65 shows the pin assignments for
the GAL. The VHDL code used to
generate the GALs is included in the appendices, on page .
Figure 65:
Bus switcher/combiner module, address decoding GAL.
 |
To drive the relays, a series of NPN power transistors are used.
The transistors are driven by a 74LS373 latch. Diodes are present
across all relay coils, to prevent transistor damage due to the
inductive kick of the relays. Figure 66 shows the
schematic for this circuit.
Figure 66:
Bus switcher/combiner module, digital and relay driver schematic.
 |
Next: Digital VU Module
Up: Mixer Unit
Previous: Audio Mix Module
  Contents
Steve Richardson
2000-07-06
|
Table of Contents
[Whole document in PDF 1.9MB]
[more photos and information]
|